Насосные станции: устройство, типы и особенности применения
Насосные станции — это один из компонентов систем водоснабжения, пожаротушения, а также промышленных процессов. Современные модели характеризуются высокой производительностью, энергоэффективностью и надежностью. Оборудование проектируется с учетом требований к бесперебойной работе, автоматизации и долгому сроку эксплуатации.
Устройство насосной станции
Насосная станция — сложный инженерный комплекс, предназначенный для обеспечения бесперебойной подачи воды в системах водоснабжения, повышения давления в трубопроводах, системах пожаротушения. Функционирование поддерживается за счет работы основного и вспомогательного оборудования.

Рисунок 1. Устройство насосной станции Альфа STREAM®
Основное оборудование
В основе функционирования насосных станций — сложное взаимосвязанное оборудование. Важная роль отводится насосным агрегатам.
Основное оборудование:
- Насос. Поднимает воду из источника и подает ее под давлением в гидроаккумулятор.
- Гидроаккумулятор. Емкость с эластичной мембраной, которая растягивается при заполнении водой, сжимая воздух внутри резервуара.
- Реле давления. Устройство, которое включает и отключает насос в зависимости от давления в системе.
- Манометр. Контролирует рабочее давление.
- Обратный клапан. Предотвращает вытекание воды из емкости, исключает гидроудары.
Еще одно обязательное оборудование, которое должно присутствовать в насосной станции — приводной механизм. Это устройство, которое отвечает за передачу энергии от источника питания к насосу, что приводит к его работе и перекачиванию жидкости.
Насосные станции работают под управлением:
- Электродвигателей. Оборудование предназначено для преобразования электрической энергии в механическую энергию вращения, которая используется для приведения в действие насоса и перекачки жидкости. Выделяют асинхронные и синхронные (для мощных насосов) двигатели. Требуется подключение к источнику питания.
- Дизельных двигателей. Это силовые агрегаты, работающие на дизельном топливе, которые используются для привода насосов в системах водоснабжения, орошения, осушения, пожаротушения, промышленных и коммунальных системах. Работают без подключения к электросети. Подходят для резервных и аварийных насосных станций.
Это обязательные компоненты станций. Они обеспечивают функционирование всех остальных составляющих.
Вспомогательное оборудование
Для нормальной работы требуется целый ряд вспомогательных систем. Правильное проектирование, эксплуатация и техническое обслуживание этого оборудования важны для поддержания бесперебойной работы насосной станции.
Дополнительные компоненты:
- Фильтрующие элементы для защиты от твердых частиц. Устройства предназначены для очистки перекачиваемой жидкости. Они удаляют твердые частицы, предотвращая повреждение насосов и трубопроводов. Использование фильтров увеличивает срок службы оборудования. Фильтры снижают риск засорения и поломок.
- Запорная арматура для изоляции участков системы. Применяется для перекрытия потока жидкости. Это необходимо для проведения ремонтных работ и обслуживания — отсекается часть ветви без необходимости полной остановки оборудования. К запорной арматуре относятся задвижки, клапаны и краны. Выбор типа арматуры определяется условиями эксплуатации. Учитываются давление, температура и характеристики рабочей среды.
- Подъемно-транспортные устройства для монтажа и обслуживания оборудования. Предназначены для перемещения тяжелых компонентов. К ним относятся краны, тали и лебедки.
Вспомогательное оборудование - неотъемлемая часть насосных станций. Оно гарантирует долговечную работу всей системы.
Системы управления и автоматики
Автоматизация промышленных процессов повышает эффективность работы оборудования. Основной компонент — шкаф управления. Он обеспечивает запуск станции ее дальнейшую работу, поддерживает заданные параметры.
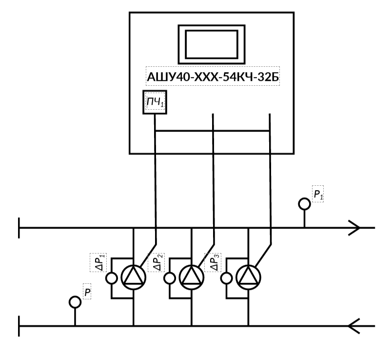
Рисунок 2. ШКАФ УПРАВЛЕНИЯ насосной станцией Альфа STREAM® С ПРЕОБРАЗОВАТЕЛЕМ ЧАСТОТЫ НА ГРУППУ НАСОСОВ
ПЧ – преобразователь частоты;
Pt – датчик давления 4...20 мА на выходе;
P – датчик давления 4...20 мА на входе;
ΔР – реле перепада давления на насосе.
В состав системы управления входят:
- Релейные и микропроцессорные системы. Они поддерживают работу оборудования на основе заданных алгоритмов. Релейные системы используются в простых задачах, а микропроцессорные — в более сложных, так как наделены большими возможностями.
- КИП - датчики давления, реле “сухого хода”, уровня жидкости, расхода и другие. Датчики служат для получения информации о состоянии технологического процесса. Полученные данные используются для автоматической регулировки параметров работы оборудования.
- Подсистема управления приводом. В последнее время строится, как правило, на преобразователях частоты (частотно-регулируемый электропривод), что позволяет существенно экономить электроэнергию (до 30%) и сберегать ресурс насосной установки, избегая прямых пусков двигателей.
Указанные компоненты обеспечивают эффективную и бесперебойную работу насосной станции.
Классификация насосных станций
Классификация насосных агрегатов основывается на способе управления. Выделяют несколько основных типов. Каждый тип характеризуется определенными особенностями.
Рисунок 3. Методы управления насосными станциями
По методу управления
- Автоматические станции. Для управления используется релейная или микропроцессорная автоматика. Она обрабатывает сигналы от датчиков. Датчики измеряют различные параметры. К ним относятся давление, уровень жидкости, напряжение сети, ток и расход жидкости.
- Полуавтоматизированные насосные агрегаты. Оператор запускает и останавливает систему. После запуска оборудование работает автоматически.
- Насосные станции с ручным управлением. Операторы выполняют все операции — управляют насосами и вспомогательным оборудованием. Для этого требуется один или несколько человек.
- Дистанционно управляемые насосные станции. Управление осуществляется удаленно. Диспетчеры управляют системой из центрального пункта. Информация о состоянии оборудования передается в пункт управления. Передача данных осуществляется по проводным или беспроводным каналам связи.
По типу насосного оборудования
Насосные станции можно классифицировать по типу используемых насосов, их расположению и наличию подпора.
Насосы:
- Центробежные насосы — рабочее колесо создает напор за счет центробежной силы. Применяются в системах водоснабжения, канализации, дренажа, промышленных установках.
- Осевые (пропеллерные) насосы — поток жидкости движется вдоль оси вращения. Применяются для больших расходов при малых напорах (ирригация, водоотведение, системы охлаждения).
- Горизонтальные (центробежные или поршневые). Просты в обслуживании и монтаже.
- Вертикальные (осевые, центробежные, погружные). Подходят для скважин и резервуаров.
Также установки различаются по наличию подпора.
Классификация:
- С подпором. Перед насосами создается избыточное давление (подпор) для предотвращения кавитации. Применяется в высоконапорных системах, магистральных трубопроводах, системах со всасывающими линиями большой протяженности.
- Без подпора. Применяется для водозабора из открытых источников (реки, озера), дренажных и канализационных систем, систем с короткими всасывающими линиями.
По размещению относительно уровня земли
Классификация насосных станций по размещению относительно уровня земли:
- Наземные насосные станции. Уровень пола машинного зала совпадает с уровнем земли. Такая конструкция обеспечивает удобный доступ для обслуживания оборудования. Предусмотрена возможность въезда грузового транспорта непосредственно в помещение. Это облегчает монтаж, демонтаж и ремонт насосного оборудования.
- Полузаглубленные насосные станции. Характеризуются частичным заглублением машинного зала ниже уровня земли. Перекрытие между машинным залом и надземной частью отсутствует. Подъемное оборудование обслуживает как заглубленную, так и надземную монтажные площадки.
- Заглубленные насосные станции. Имеют перекрытие между машинным залом и верхним этажом. Верхний этаж используется для размещения вспомогательного оборудования и служб. Насосные станции шахтного типа отличаются значительной глубиной залегания. Они могут иметь несколько промежуточных этажей между уровнем земли и машинным залом.
- Подземные насосные станции. Полностью расположены под землей. Надземные конструкции отсутствуют. Часто автоматизированы и функционируют без постоянного присутствия оператора. Конфигурация помещений бывает круглая, прямоугольная, эллиптическая или нестандартная. Главное при выборе конфигурации — повышенная устойчивость к гидростатическому давлению грунта на местности.
По назначению
Рисунок 4. Функции станций водоснабжения
Станции классифицируются в зависимости от выполняемых функций:
- Станции водоснабжения (I и II подъема). Станции первого подъема осуществляют забор воды из источников природных или искусственных — реки, озера или скважины. Перекачивают ее в очистные сооружения или в накопительные емкости. Станции второго подъема служат для поддержания нормативного давление. Отвечают за транспортировку воды к конечному потребителю.
- Станции водоотведения и канализации. Предназначены для перекачки сточных вод. Используются в системах канализации — перекачивают стоки к очистным сооружениям. Также они транспортируют стоки от локальных объектов.
- Пожарные насосные станции. Повышают давление воды в системе пожаротушения для тушения пожаров. Могут быть автономными или интегрированными в систему водоснабжения.
- Станции водоподготовки и фильтрации. Обрабатывают воду для ее дальнейшего использования в хозяйственно-бытовой или технической сфере. Отвечают за удаление примесей и доведение качества жидкости до требуемого значения.
Преимущества модульных насосных станций
Модульные насосные станции (МНС) — это комплексные инженерные сооружения, которые состоят из отдельных функциональных блоков. Каждый модуль выполняет конкретную задачу в процессе перекачки и обработки жидкости.
Унификация и стандартизация
Использование стандартных строительных модулей для упрощения монтажа. Сокращается время сборки. Типовые конструкции имеют унифицированные крепежные элементы и присоединительные размеры. Риск несоответствия компонентов отсутствует. Сборка выполняется по отработанной схеме без дополнительных подгонок.
Заводская готовность
Сокращение сроков установки и наладки оборудования. Большая часть работ (монтаж насосов, трубопроводной обвязки, шкафов управления, КИПиА) выполняется в заводских условиях. На месте требуется только подключение к внешним сетям (электричество, водопровод, канализация) и минимальная настройка. Это значительно снижает трудозатраты и время, проводимое на строительной площадке.
Простота обслуживания
Конструкция насосных станций заводской готовности обеспечивает удобный доступ к основным компонентам для технического обслуживания и ремонтных работ. Все основные узлы расположены согласно сервисным требованиям. Соблюдены нормативные расстояния для обслуживания. Агрегаты сгруппированы по типу обслуживания. Замена расходников не требует демонтажа смежного оборудования.
Продукция компании МФМК
ООО «ГК МФМК» специализируется на комплексных инжиниринговых решениях. Компания выполняет проектирование, производство и поставку насосного оборудования. Деятельность охватывает жилищное строительство, энергогенерацию и тяжелую промышленность. Компания использует современные технологии и стандартизированные методики.
Насосные установки Альфа Stream®
Насосные установки Alfa Stream относятся к категории модульного оборудования и разработаны для эксплуатации в различных инженерных системах. Технические решения поддерживают стабильность работы в любом режиме. Применяются в сетях водоснабжения, пожаротушения, отопления и кондиционирования. Отвечают за поддержание заданного давления жидкости в трубопроводах.
Рисунок 5. Насосные станции Альфа STREAM®
Преимущества:
- возможность обслуживания без остановки работы;
- диагностические модули для выявления неисправностей;
- отказоустойчивая автоматика;
- автоматизированный контроль параметров теплоносителя в реальном времени.
Рисунок 6. Преимущества насосных станций Альфа STREAM
При производстве применяются технологии, которые обеспечивают продолжительный срок службы оборудования.
Шкафы управления Омега Control®
Оборудование разработано для автоматизации и контроля насосных комплексов. Предназначено для работы в сетях водоснабжения, отопления, пожаротушения и водоотведения. Поддерживает стабильную работу агрегатов. Отвечает за регулирование производительности насосных агрегатов в ГВС и ХВС, поддержание заданных параметров в отопительных и охладительных контурах.
Преимущества:
- простота эксплуатации и энергоэффективность;
- адаптация для работы в автоматическом режиме с минимальным вмешательством оператора;
- обеспечение бесперебойной работы, снижение риска аварий.
Оборудование гарантирует длительную и безотказную работу всего комплекса устройств.
Блочные тепловые пункты Сигма Heat®
Блочный тепловой пункт Sigma Heat® — готовое модульное решение для систем теплоснабжения. На единой раме устанавливается оборудование ведущих, предназначенное для работы в системах отопления, ГВС и приточной вентиляции. Отвечают за прием, преобразование и распределение тепловой энергии. Востребованы на жилых, коммерческих и промышленных объектах. Подходит для многоквартирных домов, частных коттеджей, офисных центров и производственных зданий. Возможна эксплуатация как для одного здания, так и для группы объектов.
Характеристики:
- Модульность и масштабируемость — легко адаптируется под изменяющиеся нагрузки. При необходимости подключаются дополнительные блоки без реконструкции системы.
- Оптимизация теплопотребления. Автоматика регулирует параметры теплоносителя, снижая энергозатраты.
- Быстрый монтаж. Минимальное количество соединений и заводская готовность сокращают сроки ввода в эксплуатацию.
- Мобильность. Возможен демонтаж и перенос на другой объект с последующим повторным использованием.
БТП Sigma Heat® изготавливается в соответствии с проектными требованиями. Комплектация включает насосное оборудование, теплообменники, запорную арматуру и систему автоматики. Регулирование расхода и температуры теплоносителя происходит в автоматическом режиме.
Заключение
Насосные станции — сложные инженерные системы, которые поддерживают работу таких систем, как водоснабжение, водоотведение, ирригация и промышленные процессы. Современные насосные станции оснащаются автоматикой и энергосберегающими технологиями, что повышает их надежность и экономичность.